熱門關鍵詞: 真空泵,水環式真空泵,旋片式真空泵
咨詢熱線
400-021-5161
400-021-5161
2BV型水環式真空泵是用來抽吸空氣和其它無腐蝕性、不溶于水、不含有固體顆粒的氣體,以使在密閉容器中形成真空,吸入氣體中允許含少量液體。由于在2BV型水環式真空泵工作過程中氣體的壓縮過程是等溫的,所以在壓縮和抽吸易燃易爆氣體時,不易發生爆炸,所以其應用更加廣泛。2BV型水環式真空泵亦可用于大型水泵的引水。作為壓縮機使用時,其壓力最大至0. 26MPa(絕壓),可以完全取代往復式真空泵。
·真空過濾(脫水)
造紙廠、鐵礦廠、造煤廠、鋁礦廠、化學制品廠、紙盒廠等。
·真空蒸餾
牛奶廠、食品廠、化工廠、紙漿廠。
·真空造型
塑料廠、橡膠廠、輪胎廠。
·真空浸漬
食品加工、木器加工、紡織廠、膠臺板廠。
·真空消毒
醫院、醫務室、實驗室、無菌室等。
·真空引水
自來水廠、排灌站。
·真空脫氣
瓶裝廠、水軟化、食品加工、食品包裝。
·真空輸送
卷煙廠、制罐廠。
2BV2型水環式真空泵:

2BV5型水環式真空泵:

2BV6型水環式真空泵:

主要特點:
◆電機直聯設計,節省空間,易于安裝,維修方便;
◆全部采用國外進口機械密封作為標準配置;
◆全部設有汽蝕保護管接口,如在極限壓力下工作,開啟汽蝕保護管接口(或與分離器連接)可在最大限度保證吸氣效果的情況下消除汽蝕聲,并對泵進行保護;
◆2BV型銅葉輪強度高,經久耐用,并提高了泵的耐腐蝕性。如過流部件采用不銹鋼材質,可工作在更為苛刻的環境中;
◆獨特的柔性排氣口設計,不會產生過壓縮,確保了2BV在其性能范圍內效率最佳;
◆全部采用Y2系列電機,防護等級IP54、IP55(普通為IP44),絕緣等級為F級絕緣(普通為B級絕緣)
◆全部采用NTN或NSK進口軸承;
◆2BV型水環式真空泵可實現柔性密封件全部為聚四氟乙烯,從而可大大延長真空泵在苛刻工況下的使用壽命。
|
產品型號 |
極限壓力 |
最大氣量 |
功 率 |
轉 速 |
水耗量 |
噪 聲 |
重 量 |
|
2BV2060 |
33(3300) |
0.45 |
0.81 |
2880 |
~2 |
62 |
20 |
|
2BV2061 |
33(3300) |
0.87 |
1.45 |
2880 |
~2 |
65 |
22 |
|
2BV2070 |
33(3300) |
1.33 |
2.35 |
2880 |
~2.5 |
66 |
31 |
|
2BV2071 |
33(3300) |
1.83 |
3.85 |
2880 |
~4.2 |
72 |
42 |
|
2BV5110 |
33(3300) |
2.75 |
4 |
1450 |
~7 |
63 |
78 |
|
2BV5111 |
33(3300) |
3.83 |
5.5 |
1450 |
~8.5 |
68 |
100 |
|
2BV5121 |
33(3300) |
4.68 |
7.5 |
1450 |
~10 |
69 |
145 |
|
2BV5131 |
33(3300) |
6.68 |
11 |
1450 |
~15 |
73 |
165 |
|
2BV5161 |
33(3300) |
8.3 |
15 |
970 |
~20 |
74 |
252 |
|
2BV6110 |
33(3300) |
2.75 |
4 |
1450 |
~7 |
63 |
107 |
|
2BV6111 |
33(3300) |
3.83 |
5.5 |
1450 |
~8.5 |
68 |
142 |
|
2BV6121 |
33(3300) |
4.68 |
7.5 |
1450 |
~10 |
69 |
198 |
|
2BV6131 |
33(3300) |
6.68 |
11 |
1450 |
~15 |
73 |
238 |
|
2BV6161 |
33(3300) |
8.3 |
15 |
970 |
~20 |
74 |
350 |
注:
1、表中所列數據在下列技術條件下測出:
① 大氣壓力101325Pa(1013mbar)
② 進水溫度15℃
③ 吸入空氣溫度20℃
④ 空氣相對濕度70%
2、表內性能允許偏差±10%
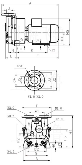
2BV型水環式真空泵外型及安裝尺寸
2BV2060、2BV2061、2BV2070、2BV2071外形及安裝尺寸

2BV5110、2BV5111、2BV5121、2BV5131、2BV5161外形及安裝尺寸
2BV6110、2BV6111、2BV6121、2BV6131、2BV6161外形及安裝尺寸